Flat 50% off on all training & certification courses. Limited time offer Explore courses

Use these filters to find papers

  Question
0

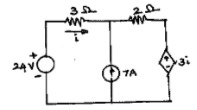
Obtain Thevenin's equivalent network of the circuit shown in the following figure and thereby find current through  resistor connected between terminals A and B.

This question has 0 answers so far.
0

Find Y and Z parameters for the network shown in Fig. Q8

                                 

This question has 0 answers so far.
0

Using source transformation find current through  in the circuit shown in the following figure.

This question has 0 answers so far.
0

Using mesh current method find current through  resistor in the circuit shown in the following figure.
.

This question has 0 answers so far.
0

Find all the nodal voltages in the circuit shown in the following figure.

This question has 0 answers so far.
0

With neat illustrations, distinguish between
i) Oriented and Non-oriented graphs
ii) Connected and un-connected graphs
iii) Tree and co-tree.

This question has 0 answers so far.
0

For the network shown in the following figure, draw the oriented graph. By selecting branches 4, 5 and 6 as twigs, write down tie-set schedule. Using this tie-set schedule, find all the branch currents and branch voltages.

This question has 0 answers so far.
0

State and illustrate superposition theorem.

This question has 0 answers so far.
0

Using superposition theorem, find value of i in the circuit shown in the following figure.
.

This question has 0 answers so far.
0

Show that the power delivered to load, when the load impedance consists of variable resistance and variable reactance is maximum when the load impedance is equal to complex conjugate of source impedance  .

This question has 0 answers so far.
0

Define h and T parameters of a two - port network. Also, derive the expressions for h parameters in terms of parameters.

This question has 0 answers so far.
0

Find the value of  in the circuit shown in the following figure. Verify it using Reciprocity theorem.

This question has 0 answers so far.
0

With respect to series resonant circuit, define resonant frequency  and half power frequencies  . Also show that the resonant frequency is equal to the geometric mean of half power frequencies.

This question has 0 answers so far.
0

A series circuit is energized by a constant voltage and constant frequency supply. Resonance takes place due to variation of inductance and the supply frequency is 300Hz. The capacitance in the circuit is . Determine the value of resistance in the circuit if the quality factor is 5. Also find the value of the inductance at half power frequencies.

This question has 0 answers so far.
0

/In the circuit shown in the following figure, the switch K is changed from position A to B t=0. After having reached steady state in position A. Find i, at .

This question has 0 answers so far.
0

In the circuit shown in the following figure, the switch K is opened at t = 0, Find i, at .


This question has 0 answers so far.
0

Using convolution theorem find the inverse Laplace transform of following functions.
.

This question has 0 answers so far.
0

Obtain the Laplace transform of the triangular waveform shown in the following figure.


This question has 0 answers so far.
0

Define h and T parameters of a two - port network. Also, derive the expressions for h parameters in terms of T parameters.

This question has 0 answers so far.
0

Fina Y ana z parameters for the network shown in the following figure.


This question has 0 answers so far.
0

Show that the power delivered to load, when the load impedance consists of variable resistance and variable reactance is maximum when the load impedance(ZL) is equal to complex conjugate of source impedance (Zg)

   

This question has 0 answers so far.
0

Using mesh current method find current through 10 resistor in the circuit shown in Fig.Q1 (b)

This question has 0 answers so far.
0

Find all the nodal voltages in the circuit shown in Fig Q1 (c). 

         

This question has 0 answers so far.
0

With neat illustrations, distinguish between

i) Oriented and Non-oriented graphs 

This question has 0 answers so far.
0

With neat illustrations, distinguish between

ii) Connected and un-connected graphs

This question has 0 answers so far.
0

With neat illustrations, distinguish between

iii) Tree and co-tree.

This question has 0 answers so far.
0

For the network shown in Fig. Q2(b), draw the oriented graph. By selecting braches 4, 5 and 6 as twigs, write down tie-set schedule. Using this tie-set schedule, find all the branch currents and branch voltages. 

                                               

This question has 0 answers so far.
0

State and illustrate superposition theorem.

This question has 0 answers so far.
0

Using superposition theorem, find value of i in the circuit shown in Fig. 03(b).

This question has 0 answers so far.
0

Find the value of V, in the circuit shown in Fig. 03(c). Verify it using Reciprocity theorem.

                                

   

This question has 0 answers so far.
0

Using source transformation find current through R1 in the circuit shown in Fig. Q1(a).

This question has 0 answers so far.
0

Obtain Thevenin's equivalent network of the circuit shown in Fig. 04(b) and thereby find current through 5 resistor connected between terminals A and B.

                     

This question has 0 answers so far.
0

With respect to series resonant circuit, define resonant frequency (fr) and half power frequencies (f1 and f2). Also show that the resonant frequency is equal to the geometric mean of half power frequencies .

This question has 0 answers so far.
0

A series circuit is energlzed by a constant voltage and constant frequency supply. Resonance takes place due to variation of inductance and the supply frequency is 300Hz. The capacitance in the circuit is 10F. Determine the value of resistance in the circuit if the quality factor is 5. Also find the value of the inductance at half power frequencies.

This question has 0 answers so far.
0

In the circuit shown in Fig. Q6(a), the switch K is changed from position A to B t = 0. After having reached steady state in position A. Find i, and  at t = 0

This question has 0 answers so far.
0

In the circuit shown in Fig. Q6(b) switch K is opened at t = 0. Find i,  and  at t = 0+

                     

This question has 0 answers so far.
0

Using convolution theorem find the inverse Laplace transform of following functions.

i) F(s)= 

This question has 0 answers so far.
0

Using convolution theorem find the inverse Laplace transform of following functions.

ii) F(s) = 

This question has 0 answers so far.
0

Obtain the Laplace transform of the triangular waveform shown in Fig 07(b).

                                       

This question has 0 answers so far.