Flat 50% off on all training & certification courses. Limited time offer Explore courses

Use these filters to find papers

  Question
0

Distinguish between class A, class B, Class C, class D. class AB amplifiers interms of conduction angle, operating region, application and efficiency.


This question has 0 answers so far.
0

Explain Op-Amp as peak detector circuit.


This question has 0 answers so far.
0

Discuss performance parameters of operational amplifiers.


This question has 0 answers so far.
0

Differentiate ideal Op-Amp and practical Op-Amps.

This question has 0 answers so far.
0

What are switching regulators? Describe the basic topology of Boost regulator. 


This question has 0 answers so far.
0

Determine the regulated output voltage for LM 317 voltage regulator shown in Fig. 07(b).

                                             


This question has 0 answers so far.
0

Write a note on 3 terminal voltage regulator.

This question has 0 answers so far.
0

A step input of amplitude 8 volts is applied to a RC low-pass circuit shown in Fig. Q6(c)(i)and Fig. Q6(c)(ii) below. Determine the output voltage at end of : i) 2m/sec ii) 5m/sec iii) Find upper cut-off frequency fw and rise time to 

This question has 0 answers so far.
0

Explain with a neat connection diagram and waveforms how IC555 timer is used as the astable multivibrator.


This question has 0 answers so far.
0

Explain Barkhausen criteria with suitable circuit diagrams and essential conditions.

This question has 0 answers so far.
0

An amplifier has a open-loop voltage gain Av = 1000   100. It is required to have an amplifier whose voltage gain varies by no more than  0.1%.

i) Find the value of feedback factor

ii) Find gain with feedback.


This question has 0 answers so far.
0

Explain all four feedback topologies with appropriate circuit diagrams.

This question has 0 answers so far.
0

With the help of common-emitter amplifier configuration, explain the criteria for selection of a suitable operating point and the factors affecting its stability. 

This question has 0 answers so far.
0

Carryout the analysis of a transistor amplifier operating in common emitter fixed bias configuration with suitable derivations. 

This question has 0 answers so far.
0

Explain how the h-parameters are determined by making use of transistor's input and output characteristics. 

This question has 0 answers so far.
0

Write short note on:

ii) Emerging display technologies.

This question has 0 answers so far.
0

Write short note on:

i) Cathode ray tube display 

This question has 0 answers so far.
0

Determine the cut-off wave length for silicon and germanium photodiodes, given that their Bandgap energies are 1.1 ev and 0.72 ev, respectively, at 25°C. How will the cut off wave length change when the operating temperature change form 25°C to 200°C? 

This question has 0 answers so far.
0

What are photodiodes? Explain with VI characteristics.

This question has 0 answers so far.
0

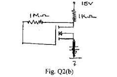
Fig. Q2(b) shows a circuit using E- MOSFET given that the threshold voltage for the  MOSFET is 2 V and  = 6 mA for  = 5V, determine the volume of the operating point. 

                                                        

This question has 0 answers so far.
0

Draw and explain the working of D-MOSFET with the help of drain current and transconductance curve. When the voltage is applied to the gate of a P Channel D-MOSFET, does the current flow depleted or enhanced?

This question has 0 answers so far.
0

Explain the gate triggering characteristics of an SCR.

This question has 0 answers so far.
0

Fig. Q1(b)(i) shows the transistor as an inverting switch with the desired output waveform for the given input waveform as shown in Fig. Q1(b)(ii). Find the value of Vcc ,Rc and RB given that  = 80,  = 10 mA, the output voltage Vout when the transistor is off is 12 V, VBE = 0.7V. 

  

This question has 0 answers so far.